
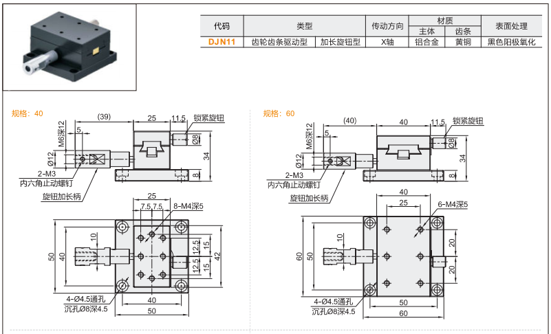
產品概述:
DJN11系列是一款專為精密手動調節而設計的齒輪齒條驅動位移滑臺,采用加長旋鈕操作,使調節更省力、定位更精準。該產品在標準型基礎上優化了人機交互體驗,適用于需要頻繁手動微調或操作空間受限的工業及實驗室場景。

核心優勢:
1.加長旋鈕設計——優化力臂長度,操作更輕松,尤其適合長時間精密調節。
2.高精度齒輪齒條傳動——淬硬合金鋼齒輪+精磨齒條,嚙合緊密,重復定位精度±0.05mm,無空回。
3.高剛性結構——鋁合金本體+直線導軌導向,負載能力達15kg,運動平穩無漂移。
4.模塊化擴展——支持多軸串聯安裝,滿足X/Y/Z多向定位需求。
5.防塵防濺設計——可選密封條保護導軌與齒條,適應無塵室或輕度惡劣環境。



