
咨詢熱線0755-26993877
紅外傳感器與單片機之間的連接方法:通過測量引腳電壓將大多數紅外傳感器轉換為距離。因此,通常紅外線具有三個引腳,VCC和GND一定會連接到該引腳,然后將信號線連接到與您打開的MCU的ADC通道相對應的引...

(1)精度高。在大范圍內測量長度或線性位移方面,光柵傳感器僅次于激光干涉傳感器。在圓分度和角位移的連續測量中,光柵傳感器是最精確的。

P+F安全柵齊納型隔離安全柵可與各種現場主要儀器一起使用,例如:4-20mA壓力,溫度,流量,電信號變送器;電氣轉換器,電氣閥門定位器,各種熱電偶,熱阻,開關,警報,脈沖信號等各種專用儀器構成了本質安...

無桿氣缸是指利用活塞直接或間接方式連接外界執行機構,并使其跟隨活塞實現往復運動的氣缸。這種氣缸的最大優點是節省安裝空間,分為磁偶無桿氣缸(磁性氣缸)與機械式無桿氣缸。那么,無桿氣缸十大品牌行業

傳感器開關信號是不連續的信號,僅具有兩種狀態,例如開關的接通和斷開,繼電器的接通和斷開,電磁閥的接通和斷開等。不需要連續上傳,因此外部因素對開關傳感器信號傳輸的干擾很小。模擬信號的傳輸更加復雜并且更容...

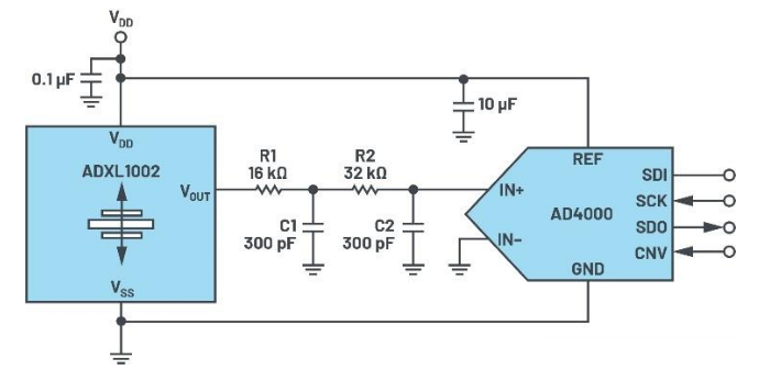
ADXL1002 MEMS加速度計的高線性度,低噪聲,寬帶振動測量解決方案。該解決方案可用于執行軸承分析或發動機監控,適用于要求動態范圍最高為50 g且頻率響應范圍為DC至11 kHz的所有應用。

震動傳感器是一種廣泛使用的警報檢測傳感器。它通過內部壓電陶瓷片和彈簧配重結構感測機械運動振動的參數(例如振動速度,頻率,加速度等),并將其轉換為可用的輸出信號。通過設備運算放大器放大并輸出控制信號。(...

CCD和CMOS傳感器是當前最常用的數字圖像傳感器,廣泛用于數碼相機,數碼攝像機,照相手機,照相機和其他產品中。兩者在結構,性能和技術上都不相同。在這里,我將對兩者進行簡單的比較,以便讀者可以對CCD...

如果數字式壓力傳感器顯示OL代碼,則表示超重。如果儀器經常報告該錯誤代碼,則有必要檢查數字式壓力傳感器是否損壞,因為這可能是由數字式壓力傳感器接觸不良引起的。

汽車空調中的汽車壓力傳感器位于發動機艙中壓縮機和冷凝器之間的高壓管道上。它根據制冷劑的壓力檢測制冷劑的量和壓縮機的工作狀態,并與溫度傳感器配合以控制空調。系統運行和關閉。
