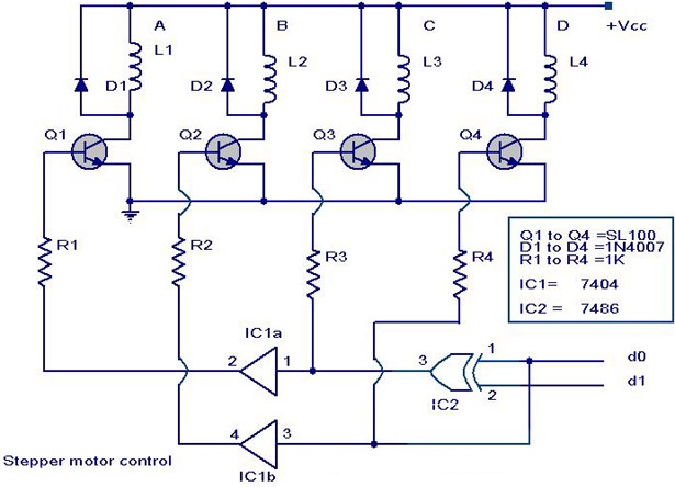
這是僅使用基本部件的簡單步進電機控制器的電路圖。驅動電路使用四個晶體管(SL100)驅動電機繞組,兩個非門和一個異或門解碼兩位控制邏輯以驅動電機的四個繞組。二極管D1至D4保護相應的晶體管免受電機繞組切換期間產生的瞬變的影響。d0和d1是確定旋轉方向和速度的控制邏輯。
該電路的控制邏輯可以從由555非穩態多諧振蕩器計時的2位加/減計數器獲得。計數方向決定旋轉方向,非穩態多諧振蕩器的頻率決定旋轉速度。

如上圖所示,IC1a IC1b屬于同一IC 7404。
IC1和IC2的引腳14和引腳7必須分別連接到+5 V和接地,但電路圖中未顯示。
5V可以從基于7805的電源電路中獲得。
5V電源使用IC 7805。點擊這里。
Vcc是步進電機所需的電壓。它因電機而異。在這里,我們可以使用高達24V的步進電機。對于更高的工作電壓和功率,SL100晶體管必須更換為更高功率的晶體管,如2N3055。

