
咨詢熱線0755-26993877
壓力表安裝前需經國家有關計量單位檢驗,檢驗合格后出具相關檢驗合格證書。為保證壓力表的合格性和準確性,可根據使用頻率確定。壓力表的測量檢定一般在6個月內進行,

壓力表作為一種以彈性元件為敏感元件的壓力測量儀器,自研發以來,以其精度高、檢測方便、操作簡單等優點在工業領域得到了廣泛的應用。由于壓力表主要用于工業領域重要

壓力傳感器是一種能夠感應壓力信號并將壓力信號按照一定規則轉換成可用的輸出電信號的裝置。壓力傳感器通常由壓敏元件和信號處理單元組成。根據測試壓力類型的不同,壓力傳感器可分為表壓傳感器、差壓傳感器和絕壓傳...

氣缸套或套筒是可拆卸的圓柱形部件,安裝在發動機缸體中,為活塞在內部往復運動并進行壓縮提供表面。氣缸套磨損后可以輕松更換。并且由于活塞在其運行過程中的關鍵運動,氣缸套必須是耐磨和耐腐蝕的。這意味著氣缸套...

閥門的操作方式有很多變化,因此我們將重點關注直接操作的閥門,因為它是最簡單的版本。作為線圈的螺線管位于直接操作的閥門的頂部。當它使電流通過線圈時,它會產生電磁場。該磁場基本上控制閥門。

您需要單速電機嗎?這種類型的發動機通過簡單的開/關控制以近似或固定的速度運行,不需要加速或減速。直流或交流電機都適用于定速應用。您需要變速電機嗎?如果您的應用需要精確的速度變化

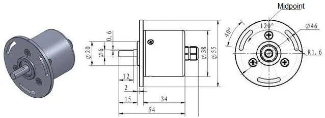
角度傳感器是一種利用角度變化來定位物體位置的電子元件。適用于汽車、工程機械、空間裝置、飛機雷達天線、注塑機、木工機械、印刷機、電子尺、機器人、工程監控、電腦控制運動器材等需要精確位移的場合的伺服系統測...

氣缸活塞密封圈用于在活塞和氣缸孔之間形成密封,防止液壓油或空氣泄漏。該密封位于氣缸內部,允許在活塞的一側保持壓力,從而產生前后移動的力。在這個文章中,博揚智

選擇合適的氣缸需要知道哪種類型的氣缸最適合您的應用要求。它還需要了解最佳性能所需的尺寸和操作因素。選擇滿足您需求的合適氣缸,為您的應用確定合適的氣缸需要了解

氣缸利用流體壓力和流量來產生線性運動和力,它們在工業機器(如壓力機和塑料成型機)以及移動設備(如挖掘機和礦用卡車)中都能很好地工作。與氣動、機械或電動直線運動系統相比,液壓系統更簡單、更耐用,并提供...
