倍加福槽型光電開關:GL5-U/28A/115小型光電槽型傳感器體積小巧,光學性能出眾。滿足半導體工業微型物體的檢測需求。在同類產品中具有DC5-24V的寬電壓范圍和高達5kHz的最快開關頻率。內部集成的聚焦孔使傳感器能檢測尺寸為0.8x1.8mm的微型物體。傳感器提供NPN或者PNP輸出。多樣且優化的外殼使傳感器最大程度地適用于擁擠環境中。
倍加福槽型光電開關:GL5-U/28A/115特點
1、微型設計
2、為檢測小尺寸零件進行了優化
3、高開關頻率
4、簡單且快速的安裝
5、清晰可見的LED功能顯示
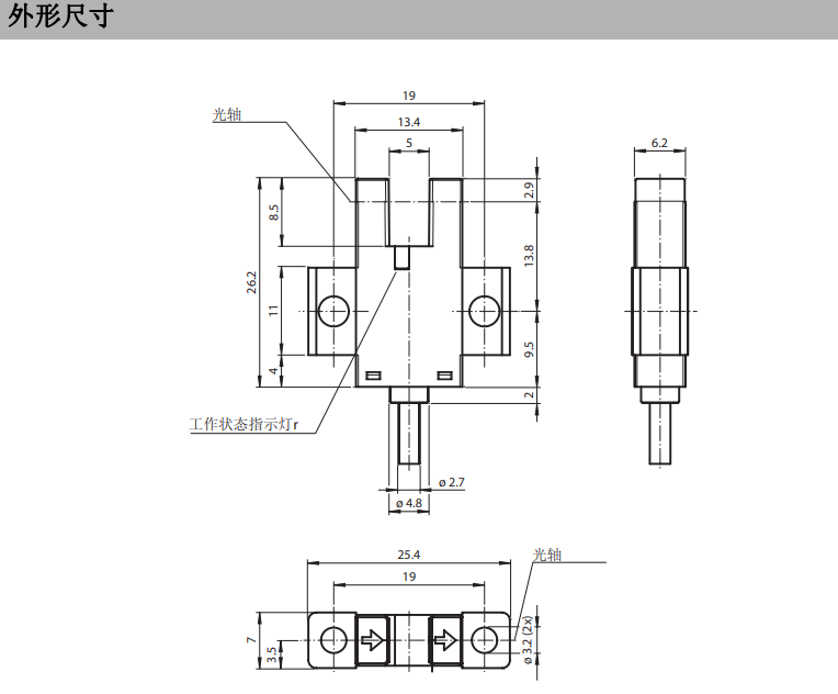
倍加福槽型光電開關:GL5-U/28A/115(外形尺寸)

倍加福槽型光電開關:GL5-U/28A/115參數
| 產品闡述 | ||
|---|---|---|
| 微型槽型光電傳感器,適用于檢測小尺寸零件,U 形設計,叉寬 5 mm,紅外光,NPN 輸出,固定纜線 | ||
| 通用規格 | ||
|---|---|---|
| 光源 | 紅外發光二極管 | |
| 光源類型 | 紅外連續光 , 940 nm | |
| 目標尺寸 | 0.8 x 1.8 mm | |
| 槽寬 | 5 mm | |
| 功能性安全相關參數 | ||
| MTTFd | 3760 a | |
| 任務時間 (TM) | 20 a | |
| 診斷覆蓋率 (DC) | 0 % | |
| 指示燈/操作方法 | ||
| 功能指示燈 | 紅色 LED 接收到光束時亮起 | |
| 電氣技術規格 | ||
| 工作電壓 | 5 ... 24 V DC , 2 級 | |
| 輸出 | ||
| 開關類型 | 亮通/暗通 | |
| 信號輸出 | 2 路 NPN 互補 , 過電壓保護 | |
| 遵守標準和指令 | ||
| 指令符合性 | ||
| EMC 指令 2004/108/EC | EN 60947-5-2:2007+A1:2012 | |
| 環境條件 | ||
| 污染程度 | 2 | |
| 機械規格 | ||
| 防護等級 | IP50 | |
| 連接 | 2 m PVC 纜線,4 x 0.09 mm2 | |
| 材料 | ||
| 外殼 | PBT | |

